| 学校 / 2007/02/03 (Sat) / 編集 |
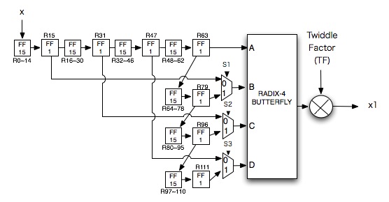
というわけで、今日はCADの最終課題のブロック図を描きました
おそくなってごめんね
お詫びにレポートで使いそうな数式もtexで作っとくよ
時間があればだが……
おそくなってごめんね
お詫びにレポートで使いそうな数式もtexで作っとくよ
時間があればだが……
とりあえず2つだけ載せてみる
俺的にはなかなかの出来だとは思うが、まぁなんかミスがあったらご一報ください
でもって今はtexで数式作ろうかどうか悩んでます
課題を見る限りじゃあ必須ではなさそうだがあったら便利だろうな
しかし「内容」の2番がよくわからんのだが
「動作波形図やパイプライン動作など」ってこれStage1,Stage2,Stage3,REORDERそれぞれの波形図とパイプライン図用意しないといかんのかな?
波形はともかくパイプライン図はむちゃくちゃめんどい上に見てもよくわからんと思うわけだが……
ちなみに昼間は「おきなわ花と食のフェスティバル2007」に行ってきました
大盛況だったよ〜 とくに肉売り場がすごかったね
紅豚を1パック500円、4パック1500円という安値で売ってました
卵なんか赤卵が3パック500円だったしね
でもって1000円分買うと1回抽選ができたわけだが
3回あのガラガラする奴をまわして2回当てた
お肉の商品券1000円分だよ〜〜
おかげさまで今日はお鍋あしたは高級ハムです
ヒマな人はいってみるとよい
あと今日の出来事といえば
学校から「給与所得の源泉徴収票」とやらが来てた
去年の春のバイトのやつだ、俺あんなに貰ってたのか……
全部デスクトップ代に消えたけどねw
でもって締めはいつものごとく今日見たもの
『銀魂』の神楽パパ登場の巻
さすらいのウスラーうみぼうず
神楽に圧勝とはさすがだな
にしても「えいりあんVSやくざ」見たい……
さて、明日こそは車を車検に持ってくかな
整備代いったいいくらかかるんだろう?
PR
トラックバック
URL :
コメント
